| |
Deublin杜博林用于有限安装空间的紧凑型无轴承旋接器
Deublin Bearingless Rotating Union Cartridge Design Compact Bearingless Rotating Union for smallest installation space
性能特点:
- 单通道,包含几乎所有密封技术
- 设计有补充功能:例如,长行程定子,即使将旋接器
- 装在夹紧单元上,拉杆也可移动
- 全流通设计,不产生碎屑及毛刺堵塞
- 平衡式机械密封,采用碳化硅材料,即使恶劣工作条件仍能延长使用寿命
- 防腐蚀阳极氧化铝壳体
- 部分型号可以干运转
- 不同型号分别采用了闭合式密封、脱开密封和自动感应密封技术

Deublin杜博林用于有限安装空间的紧凑型无轴承旋接器
Deublin Bearingless Rotating Union Cartridge Design Compact
Bearingless Rotating Union for smallest installation space

工作参数:
密封技术
自动感应TM、闭合式密封、脱开TM
(取决于型号)
介质
冷却液一水基;切切削油
(取决于型号)
压缩空气,最高10bar,最最高145psi
MQL(油雾)最高10bar,最高145psi
 |
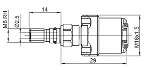
1121-251-434旋转接头特点
- 脱开?
- 单通道
- 密封:碳化硅 / 碳化硅 工作参数
- 转速:150,000 rpm
- 压力:180 bar
- 介质:冷却液 / 切削油
- 是否干运转:是
- 最大流量:7.4 l/min
|
Operating Data / 1121-251-434
Media (depending
on model)
Water-based Coolant,
Cutting Oil
Sealing Technology Pop-Off ?
Seals SIC/SIC
Filtration ISO 4406:2017 Class 17/15/12, max. 60 micron
Max. Speed 150,000 min-1 150,000 rpm
Max. Pressure 180 bar 2,707 psi
Max. Flow 7.4 l/min 2 gpm |
 |
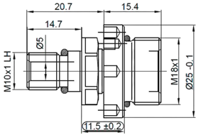
1124-259-260 旋转接头特点
- 自动感应?
- 单通道
- 密封:碳化硅 / 碳化硅 工作参数
- 转速:30,000 rpm
- 压力:140 bar / 10 bar
- 介质:冷却液 / 压缩空气
- 是否干运转:是
- 最大流量:7.4 l/min
|
Operating Data / 1124-259-260
Media (depending
on model)
Water-based Coolant,
Compressed Air up to 10 bar, up to 145 psi
Sealing Technology AutoSense?
Seals SIC/SIC
Filtration ISO 4406:2017 Class 17/15/12, max. 60 micron
Max. Speed 30,000 min-1 30,000 rpm
Max. Pressure 140 bar / 10 bar 2,031 psi / 145 psi
Max. Flow 7.4 l/min 2 gpm |
 |
|
Operating Data / 993-880
Media (depending
on model)
Water-based Coolant, Cutting Oil,
Compressed Air up to 6 bar
Sealing Technology Closed Seal – Limited Dry Run
Seals CG/SIC
Filtration ISO 4406:2017 Class 17/15/12, max. 60 micron
Max. Speed 15,000 min-1 15,000 rpm
Max. Pressure 80 bar / 6 bar 1,160.3 psi / 87 psi
Max. Flow 9.4 l/min 2.5 gpm |
 |
|
Operating Data / 9012-810
Media (depending
on model)
Coolant
Sealing Technology Closed Seal
Seals SIC/SIC
Filtration ISO 4406:2017 Class 17/15/12, max. 60 micron
Max. Speed 15,000 min-1 15,000 rpm
Max. Pressure 110 bar 1,595.42 psi
Max. Flow 49.8 l/min 13.2 gpm |
| |
1117-593-589 旋转接头 特点
- 闭合式
- 单通道
- 密封:石墨 / 碳化硅 工作参数
- 转速:30,000 rpm
- 压力:140 bar
- 介质:冷却液 / 切削油
- 是否干运转:否
- 最大流量:7.4 l/min
|
|
| |
1154-170-137 旋转接头 特点
- 自动感应?
- 单通道
- 密封:碳化硅 / 碳化硅
- 最大行程 4 mm 工作参数
- 转速:40,000 rpm
- 压力:140 bar / 10 bar
- 介质:冷却液 / 压缩空气
- 是否干运转:是
- 最大流量:7.4 l/min
|
|
示例
1121-251-434, 150000rpm 180bar
1117-593-589, 30000rpm 140 bar
1124-259-260 ,30000rpm 140 bar
1154-170-137 ,40000rpm
140 bar

|
|